厂家直销 2相 4相 20外径 永磁电动机 大力矩 高转速
查看供应商
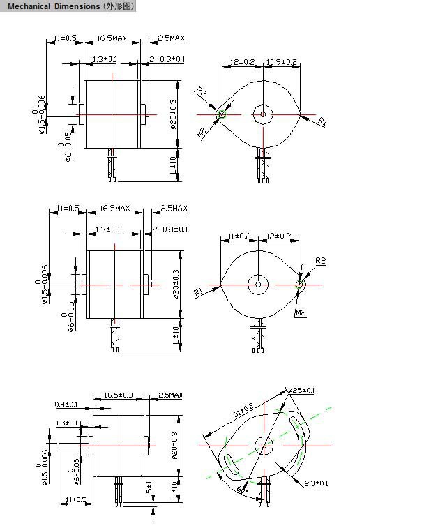
查看完整图文
立即询价
其他相关图集
现货CONTROLLI微电机
burkert宝德电磁阀原装德国力士乐 REXROTH电磁阀详细介绍113
美国原装进口SEL继电器上海辰丁主推品牌 610322
供应:´YEA DER´YEADER´ ´直流电机 PM-DC MOTOR 1HP
美国MAC比例阀111B-611JD 原装 3205
MTL小型高性能DD马达MDS/MDH-20
油泵电机
鑫宝达2230直流空心杯有刷电机
SERVO电机DMN37S6HPB 伺服电机 微电机
HAWE泵RZ 4.2/2-37原装现货进口供应厂家949
电气与能源设备
>
电动机/电机
>
微电机
>
获取验证码
允许同品行业优质供应商联系我
您对此产品的咨询信息已成功发送给相应的供应商,请注意接听供应商电话。
对不起,您对此产品的咨询信息发送失败,请稍后重新发起咨询。
关闭
登录
|
注册
首页
|
我的马可
触屏版
电脑端
马可波罗版权所有1999-2020