机械配件凸轮锁紧杆,南京耐思特供应GANTER进口机械配件凸轮锁紧杆GN918
供应德国GANTER凸轮锁紧杆、锁紧球头手柄GN918
GN918凸轮锁紧杆
黑色氧化涂层处理钢质控制杆
渗碳黑色氧化涂层处理钢质凸轮和垫圈
DIN 319黑色热固性塑料球状捏手

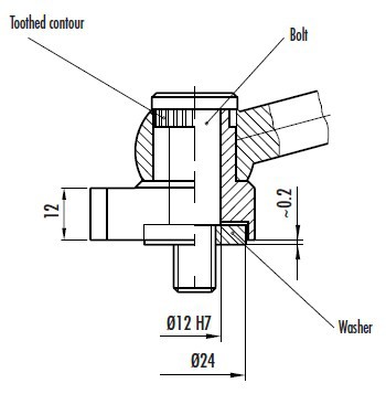
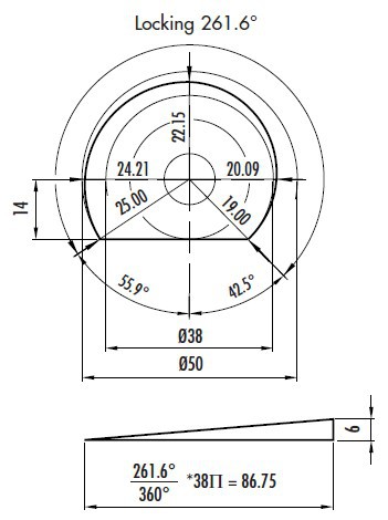
偏心凸轮DN918具有相对较长的运动举例和较强的紧固力,能快捷和安全的进行紧固和松开操作。凸轮的优点在于其紧固力作用于整个紧固位置,即能够在所有的角度位置保持这种紧固力,同时能够在任何位置进行自锁
球形杆通过棘齿连接到偏心凸轮,使得锁紧杆可以定位在优先确定的位置。垫圈满足了阴螺纹的特殊要求;并且偏心凸轮还可以用于机器底座的T型螺母上
偏心凸轮还可以用作无极调节端制动。如果拆下垫圈,则偏心凸轮可以直接紧固到支撑件上。





附1:凸轮锁紧杆 GN918.1

附2:凸轮锁紧杆GN918.2

机械配件凸轮锁紧杆,南京耐思特供应GANTER进口机械配件凸轮锁紧杆GN918