XCF系列 简 介 该产品接点密度等效于MIL-C-38999-1系列。特点是 密度高、体积小重量轻。有7-129芯,9种孔位排列。 其它性能与XCE基本相同。 主要技术性能 机械性能 工作温度:-55℃~+200℃ 相对湿度:40℃时达95% 工作高度:海拔30000m 振动:频率10Hz~2000 Hz加速度196m/s2 冲击:加速度490m/s2 恒加速度:490m/s2 防盐雾,防潮湿,防霉菌性能等符合GJB2889标准的要求 |  |
电气性能
接触电阻及额定电流
接触件φ0.635mm
接触电阻≤0.025Ω
额定电流1A
额定电压、耐电压及绝缘电阻
工作环境 | 额定电压V | 耐电压V | 绝缘电阻MΩ |
常温常压 | 250 | 1000 | ≥500 |
湿热 | 250 | 750 | ≥20 |
低气压条件1KPa | 115 | 200 | — |
机械性能
壳体:高强度铝合金材料
非屏蔽镀层:阳极氧化作色
屏蔽镀层:镀锌彩虹色钝化或军绿色钝化、化学镀镍
绝缘体:热固性材料
接触件:铜合金材料 表面镀金、银
封线体和密封圈:硅橡胶材料
机械寿命:1000次
标记代号及意义

注:1、表示整套电连接器时,标记代号采用分数形式,插座标记写作分子,插头标记写作分母,中间用斜线隔开。
2、插头、插座型号在产品上直接标出,电连接器型号供用户订货和公司生产、经营管理用。
3、对于选配附件的插头(座),可在其标记代号后加+再写出所选附件。
例如:XCF系列14型装镀金插孔插座,接触件芯数为10芯,壳体化学镀镍,N键位
型号为:XCF14F10K1P1
XCF系列14型装镀金插针插头,接触件芯数为10芯,壳体化学镀镍,N键位
型号为:XCF14T10Z1P1
整套连接器型号为:XCF14F10K1P1/P1
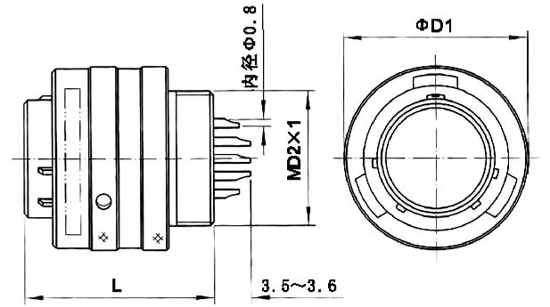
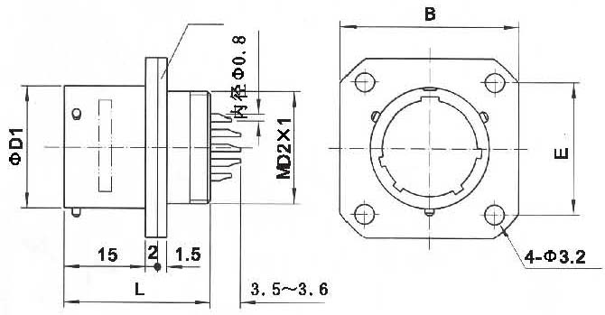
外形尺寸
XCF插头

壳体号 | 12 | 14 | 18 | 22 | 24 | 27 | 30 | 33 | 36 |
D1 | 19.5 | 21.5 | 25.5 | 29.5 | 31.5 | 34.5 | 37.5 | 40.5 | 43.5 |
D2 | 12 | 14 | 18 | 22 | 24 | 27 | 30 | 33 | 36 |
L | 25.5 | 28.5 |
XCF插座(XCF插座带螺纹和不带螺纹两种外形尺寸相同,图形以带螺纹为例)

壳体号 | 12 | 14 | 18 | 22 | 24 | 27 | 30 | 33 | 36 |
D1 | 13.7 | 15.7 | 19.7 | 23.7 | 25.7 | 28.7 | 31.7 | 34.7 | 37.7 |
D2 | 12 | 14 | 18 | 22 | 24 | 27 | 30 | 33 | 36 |
B | 23 | 25 | 27.5 | 30 | 32 | 34.5 | 36.5 | 39.5 | 41 |
E | 17 | 19 | 21.5 | 24 | 26 | 28 | 30 | 32.5 | 34 |
L | 25.5 | 28.5 |
XCF插座面板开孔建议尺寸

壳体号 | 12 | 14 | 18 | 22 | 24 | 27 | 30 | 33 | 36 |
D | 12.5 | 14.5 | 18.5 | 22.5 | 24.5 | 27.5 | 30.3 | 33.5 | 36.5 |
E | 17 | 19 | 21.5 | 24 | 26 | 28 | 30 | 32.5 | 34 |
XCF系列接点排列(装针绝缘体插合面视图)


