| 特点简介 Y11系列圆形密封电连接器具有快速连接,快速分离, 体积小、重量轻之特点。采用内卡口式锁紧方式。接 触件端接为焊接式,壳体有屏蔽式和非屏蔽式。使用 便捷,通用性好,功能多样,规格齐全。 国家专用标 准:GJB101 A-97要求 技术特征 环境性能 工作温度:焊接式-55℃~+125℃ 相对湿度:40℃时达95% 工作高度:海拔30000m 振动:频率10Hz~2000Hz 加速度196m/s² 冲击:加速度490 m /s² 防盐雾、防雨淋、防沙尘等性能符合GJB101A-97要求 气密性:耐气压0.2Mpa(灌胶密封型插座) | ![]() |
电气性能
接触电阻及额定电流
接触件规格(mm) | 接触电阻(mΩ) | 额定电流(A) |
Φ1.0 | ≤5 | 5 |
Φ1.5 | ≤3 | 10 |
外壳间电连续性≤200 mΩ
屏蔽外壳间电连续性≤5 mΩ
电磁干扰8000MHz时,最低衰减45dB
额定电压、耐电压及绝缘电阻
工作环境 | 额定电压(V) | 耐电压(V) | 绝缘电阻(mΩ) |
常温常压 | 500 | 1500 | ≥30000 |
湿 热 | 500 | 500 | ≥20 |
高 温 | 250 | ---- | ≥500 |
低气压条件1kpa | 150 | 200 | ---- |
机械性能
壳体:高强度铝合金材料、铜合金材料
非屏蔽镀层:阳极氧化着色
屏蔽镀层:化学镀镍
绝缘体:耐热热塑性材料
封线体和密封圈:硅橡胶材料
接触件:铜合金材料 镀层 :金
机械寿命:500次
标记代号及意义
订货指南
用户可根据需要的功能订货,生产方按用户需要的功能组装供货、做到合理经济使用。
特殊订货必须参看以上特殊组件结构,按组件代号进行订货。组件代号只有Y11-XXOO-80、Y11-XXOO-81、Y11-XXOO-83、Y11-XXOO-84、Y11-XXOO-85、Y11-XXOO-86、Y11-XXOO-87、Y11-XXOO-88、Y11-XXOO-89。标记号中间有“XXOO”,则表示壳体号可以随意选取。譬如要订14号体的插头金属防尘罩,则在订货单上写Y11-1400-80;若要订10号壳体插座金属防尘罩,则写Y11-1000-81;若要订18号壳体空插座,则写在Y11-1800-83;
Y11S系列的铜质电缆罩需单独订货;代号为Y11-XXOO-93,结构形式上与Y11-XXOO-88相同,总长度15nn
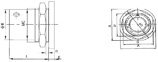
外形及安装尺寸
壳体 | A | M | H | L |
08 | Φ20 | M14*1 | Φ6 | 41 |
10 | Φ23 | M18*1 | Φ8 | 41 |
12 | Φ26 | M20*1 | Φ10 | 43 |
14 | Φ30 | M24*1 | Φ12 | 49 |
16 | Φ33 | M27*1 | Φ14 | 49 |
18 | Φ36 | M30*1 | Φ17 | 49 |
20 | Φ39 | M33*1.5 | Φ20 | 50.5 |
22 | Φ42 | M36*1.5 | Φ24 | 50.5 |
24 | Φ45 | M39*1.5 | Φ27 | 55 |
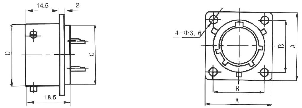
方形法兰盘插座
壳体号 | A | B | D | E | MD1 | H | L |
08 | 21 | 15±0.15 | 13 | 1.3 | 14*1 | 6 | 41.5 |
10 | 24 | 18±0.15 | 16 | 1.5 | 18*1 | 8 | 41.5 |
12 | 27 | 21±0.15 | 20 | 1.5 | 20*1 | 10 | 43.5 |
14 | 30 | 23±0.15 | 23 | 1.5 | 24*1 | 12 | 49.5 |
16 | 33 | 25±0.15 | 26 | 1.5 | 27*1 | 14 | 49.5 |
18 | 36 | 27±0.15 | 29 | 1.5 | 30*1 | 17 | 49.5 |
20 | 39 | 29±0.15 | 32 | 2.2 | 33*1.5 | 20 | 51 |
22 | 42 | 32±0.15 | 35 | 2.2 | 36*1.5 | 24 | 51 |
24 | 45 | 35±0.15 | 38 | 2.2 | 39*1.5 | 27 | 55 |
方形法兰盘穿墙式插座
壳体号 | A | B | D |
08 | 21 | 15±0.15 | Φ13 |
10 | 24 | 18±0.15 | Φ16 |
12 | 27 | 21±0.15 | Φ20 |
14 | 30 | 23±0.15 | Φ23 |
16 | 33 | 25±0.15 | Φ26 |
18 | 36 | 27±0.15 | Φ29 |
20 | 39 | 29±0.15 | Φ32 |
22 | 42 | 32±0.15 | Φ35 |
24 | 45 | 35±0.15 | Φ38 |
螺母固定式插座
方形法兰盘玻璃烧结插座
壳体号 | A | B | D | G |
08 | 21 | 15±0.15 | Φ13 | Φ12 |
10 | 24 | 18±0.15 | Φ16 | Φ16 |
12 | 27 | 21±0.15 | Φ20 | Φ19 |
14 | 30 | 23±0.15 | Φ23 | Φ22 |
16 | 33 | 25±0.15 | Φ26 | Φ25 |
18 | 36 | 27±0.15 | Φ29 | Φ28 |
20 | 39 | 29±0.15 | Φ32 | Φ31 |
22 | 42 | 32±0.15 | Φ35 | Φ34 |
24 | 45 | 35±0.15 | Φ38 | Φ37 |
附件
空插座组件(Y11-XXOO-83)
壳体号 | 08 | 10 | 12 | 14 | 16 | 18 | 20 | 22 | 24 |
D | 13 | 16 | 20 | 23 | 26 | 29 | 32 | 35 | 38 |
A | 21 | 24 | 27 | 30 | 33 | 36 | 39 | 42 | 45 |
B | 15 | 18 | 21 | 23 | 26 | 27 | 29 | 32 | 35 |
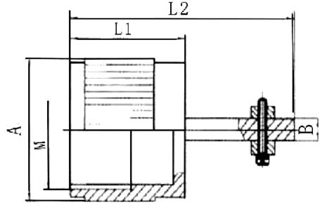
敞开式长电缆罩(Y11-XXOO-85)
壳体号 | A | L1 | L2 | B | M | 出线孔 |
08 | Φ17 | 15 | 29 | 2.5 | 14*1 | Φ10 |
10 | Φ20 | 15 | 29 | 2.5 | 18*1 | Φ12 |
12 | Φ24.5 | 15 | 31 | 2.5 | 20*1 | Φ14 |
14 | Φ26.5 | 20 | 38 | 3 | 24*1 | Φ16 |
16 | Φ29.5 | 20 | 39 | 3 | 27*1 | Φ18 |
18 | Φ32.5 | 20 | 40 | 4 | 30*1 | Φ20 |
20 | Φ35.5 | 22 | 42 | 4.5 | 33*1.5 | Φ20 |
22 | Φ38.5 | 22 | 42 | 5 | 36*1.5 | Φ22 |
24 | Φ41.5 | 27 | 47 | 5 | 39*1.5 | Φ24 |
屏蔽式电缆罩(Y11-XXOO-86)
壳体号 | L | A | H | 壳体号 | L | A | H |
08 | 35 | 18 | 10 | 18 | 50 | 34 | 20 |
10 | 35 | 21 | 10 | 20 | 50 | 37 | 22.5 |
12 | 37 | 25.5 | 14.5 | 22 | 50 | 38.5 | 22.5 |
14 | 40 | 31 | 16.5 | 24 | 50 | 41.5 | 24 |
16 | 40 | 31 | 16.5 | ||||
短路盖(Y11-0804-87)
长电缆罩(Y11-XX00-88)
壳体号 | A | B | E | M | D | L1 | L2 |
08 | 14 | 6 | 13 | 14*1 | 17 | 29 | 35 |
10 | 17 | 8 | 16 | 18*1 | 20 | 29 | 35 |
12 | 20 | 10 | 19 | 20*1 | 22.5 | 30 | 37 |
14 | 24 | 12 | 23 | 24*1 | 26.5 | 34 | 43 |
16 | 26 | 14 | 25 | 27*1 | 29.5 | 34 | 43 |
18 | 30 | 17 | 29 | 30*1 | 32.5 | 34 | 43 |
20 | 33 | 20 | 31 | 33*1.5 | 35.5 | 36 | 45 |
22 | 36 | 24 | 34 | 36*1.5 | 38.5 | 36 | 45 |
24 | 39 | 27 | 37 | 39*1.5 | 41.5 | 41 | 50 |
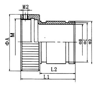
热缩套管式1型电缆罩(Y11-XX00-84)
壳体号 | L1 | L2 | A | B | C | D | M1 | M2 |
08 | 27 | 15 | 20 | 9 | 11 | 13 | 14*1 | 2.5 |
10 | 27 | 15 | 24 | 10 | 12 | 14 | 18*1 | 2.5 |
12 | 30 | 15 | 26.5 | 13 | 15 | 17 | 20*1 | 2.5 |
14 | 31 | 16 | 30.5 | 17 | 19 | 21 | 24*1 | 3 |
16 | 31 | 18 | 33 | 18 | 20 | 22 | 27*1 | 3 |
18 | 34 | 22 | 36 | 23 | 25 | 27 | 30*1 | 3 |
20 | 35 | 20 | 39.8 | 24 | 26 | 28 | 33*1.5 | 3 |
22 | 34 | 22 | 42 | 27 | 29 | 31 | 36*1.5 | 3 |
24 | 36 | 24 | 45 | 30 | 32 | 34 | 39*1.5 | 3 |
热缩套管式2型电缆罩(Y11-XX00-89)
壳体号 | A | B | C | D | M1 | L1 | L2 | M2 |
08 | 20 | 8.7 | 12.8 | 14.8 | 14*1 | 33 | 20 | 2.5 |
10 | 24 | 10 | 14.4 | 16.4 | 18*1 | 33 | 20 | 2.5 |
12 | 26.5 | 15 | 19.1 | 21.1 | 20*1 | 33 | 20 | 2.5 |
14 | 30.5 | 18.2 | 22.3 | 24.3 | 24*1 | 33 | 20 | 3 |
16 | 33 | 18.2 | 22.3 | 25.3 | 27*1 | 33 | 20 | 3 |
18 | 36 | 24.5 | 28.7 | 30.7 | 30*1 | 33 | 20 | 3 |
20 | 39.8 | 24.5 | 28.7 | 30.7 | 33*1.5 | 35 | 20 | 3 |
22 | 42 | 27.7 | 31.8 | 33.8 | 36*1.5 | 35 | 20 | 3 |
24 | 45 | 30 | 31.8 | 34 | 39*1.5 | 35 | 20 | 3 |