CXCH-01系列 简 介 本系列是CXCH的改进型。壳体壁厚增加,提高了产品的 机械强度。本系列共有九种性别,三十二种孔位排列。 广泛适用于舰船、机床、邮电通讯等设备和恶劣的环境中。 符合GJB2889。 技术特性 环境性能 工作温度:-55℃~+200℃ 相对湿度:40℃时达95% 工作高度:海拔30000m 振动:频率10Hz~2000 Hz加速度196m/s2 冲击:加速度490m/s2 恒加速度:490m/s2 防盐雾,防潮湿,防霉菌性能等符合GJB2889标准的要求。 |  |
电气性能
接触电阻及额定电流
接触件规格mm | 接触电阻mΩ | 额定电流A | 焊线筒内径mm | 适配导线 mm2 |
φ1 | ≤5 | 5 | φ1.4 | 1.0 |
φ1.5 | ≤2.5 | 10 | φ2.0 | 1.5 |
φ2 | ≤1.25 | 20 | φ2.5 | 3.0 |
φ3 | ≤0.75 | 40 | φ3.0 | 6.0 |
额定电压、耐电压及绝缘电阻
工作环境 | 额定电压V | 耐电压V | 绝缘电阻MΩ |
常温常压 | 500 | ≥1500 | ≥5000 |
湿热 | 500 | ≥1125 | ≥100 |
高温 | — | — | ≥1000 |
低气压条件1KPa | 250 | ≥300 | — |
机械性能
壳体:高强度铝合金材料
非屏蔽镀层:阳极氧化作色
屏蔽镀层:镀锌彩虹色钝化或军绿色钝化、化学镀镍
绝缘体:耐热热固性材料
外壳间电连续性:铝合金外壳≤2.5mΩ
接触件:铜合金材料 表面镀金、银
封线体和密封圈:硅橡胶材料
机械寿命:1000次
标记代号及意义

接点排列
该系列接点排列与XC系列相同
外形尺寸
CXCH-01系列插头

插头装针时,焊线杯伸出壳体长度L=2或7.5
插头装孔时,焊线杯伸出壳体长度L=2或7.5
外壳号 | 18 | 22 | 24 | 27 | 30 | 33 | 36 | 39 | 42 |
D1 | 28 | 32 | 34 | 37 | 40 | 43 | 46 | 49 | 52 |
D2 | 18 | 22 | 24 | 27 | 30 | 33 | 36 | 39 | 42 |
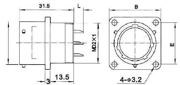
CXCH-01系列插座

插座装针时,焊线杯伸出壳体长度L=2或7.5
插座装孔时,焊线杯伸出壳体长度L=2或7.5
壳体号 | 18 | 22 | 24 | 27 | 30 | 33 | 36 | 39 | 42 |
D1 | 19.7 | 23.7 | 25.7 | 28.7 | 31.7 | 34.7 | 37.7 | 40.7 | 43.7 |
D2 | 18 | 22 | 24 | 27 | 30 | 33 | 36 | 39 | 42 |
B | 27.5 | 30 | 32 | 34.5 | 36.5 | 39.5 | 41 | 43 | 46 |
E | 21.5 | 24 | 26 | 28 | 30 | 32.5 | 34 | 36 | 39 |
面板开孔建议尺寸

壳体号 | 18 | 22 | 24 | 27 | 30 | 33 | 36 | 39 | 42 |
D | 18.5 | 22.5 | 24.5 | 27.5 | 30.5 | 33.5 | 36.5 | 39.5 | 42.5 |
E | 21.5 | 24 | 26 | 28 | 30 | 32.5 | 34 | 36 | 39 |
CXCH-01系列接点排列(装针绝缘体插合面视图)


