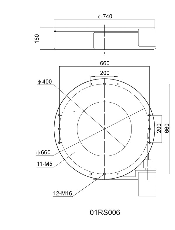
电动旋转台采用精密竖轴,精密蜗轮蜗杆,配备美国GLENTEK1.7KW伺服电机,外形直径为740mm,并有直径400mm的中空。
技术指标:
型号
01RS006
台面直径
740mm
中空直径
400mm
传动比
300∶1
分辨率
0.00012°
重复定位精度
<0.01°
最大速度
60°/s
伺服电机
GLENTEK1.7KW
最大静转矩
1.7KW
最大中心负载
350kg
自重
100kg
您对此产品的咨询信息已成功发送给相应的供应商,请注意接听供应商电话。
对不起,您对此产品的咨询信息发送失败,请稍后重新发起咨询。