

上海永册电气有限公司专业生产销售高压负荷开关,真空断路器,隔离开关,接地开关 ,高压熔断器,高压互感器,真空接触器,避雷器,操动机构,绝缘子,穿墙套管,电力金具,电磁锁,带电显示装置等系列产品。
永册电气,永久品质。由于产品型号较多,价格各不相同,请先咨询再订购,量大更优!我司传真订购合同,请先确认并签订好,款到发货。图片仅供参考,请以实物为准。
上海销售热线:13166116696 电话:021-60517611
售后服务专线:13296247611 传真:021-60852444
浙江销售热线:15306779877 电话:0577-62967668
售后服务专线:15356225626 传真:0577-62967669
企业邮箱:shyonce@163.com QQ:76988007
公司网址:http://www.shyongce.com



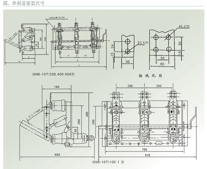
GN6-10 GN8-10T/630户内高压隔离开关。


产品说明
一、概述
GN6,GN8系列户内高压隔离开关用于户内12kV三相交流50Hz的电力系统中,额定电流分别为630A,1000A,1250A,可用于GG-1A(F2)高压开关柜内,主触刀作为网络在有电压无负荷的情况下接通和转换线路之用;接地触刀可用于:当电气设备停电工作时,将接地触刀合闸,制造网络人工短路,保证检修人员得到可靠的“按地位”保护,作为免遭触电伤害的主要保护。


售后服务承诺书
我公司本着优质、高效、发展的精神,以优质的产品、贴心的服务为理念,并公开、负责地向您郑重承诺如下:
1. 我厂出售的所有产品最低保修期为一年,部分产品保修三年。保修期内免费上门维修(人为因素或不可抗拒的自然现象所引起的故障或破坏除外)。
2. 在接到报修通知后,七个工作日内赶到现场并解决问题。
3. 用户可以通过售后电话咨询有关技术问题,并得到明确的解决方案。
4. 用户在正常使用中出现性能故障时,本公司承诺以上保修服务。除此以外,国家适用法律法规另有明确规定的,本公司将遵照相关法律法规执行。
5. 在保修期内,以下情况将实行有偿维修服务;
(1)由于人为或不可抗拒的自然现象而发生的损坏。
(2)由于操作不当而造成的故障或损坏。
(3)由于对产品的改造、分解、组装而发生的故障或损坏。