绝缘电阻——500VDC 100MW Min 绝缘强度——1500VAC 1Minute 环境温度—— 0℃ ~ +40℃ 绝缘等级——B级
技术数据
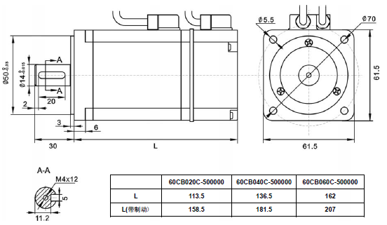
规格型号 | 单位 | 60CB020C- 500000 | 60CB040C- 500000 | 60CB060C- 500000 | 货物编码 | | 030820 | 030810 | 030830 | 额定输出功率 | W | 200 | 400 | 600 | 额定转矩 | N·m | 0.64 | 1.27 | 1.91 | 瞬间最大转矩 | N·m | 1.9 | 3.6 | 4.8 | 额定转速 | rpm | 3000 | 3000 | 3000 | 最高转速 | rpm | 3600 | 3600 | 3600 | 电机转子惯量 | kg·cm2 | 0.264 | 0.407 | 0.445 | 转矩系数 | N·m/A | 0.5 | 0.45 | 0.545 | 额定相电流 | A | 1.27 | 2.8 | 3.5 | 瞬间最大相电流 | A | 3.7 | 8A | 9.2 | 电枢绕组相电阻 | Ω | 4.35 | 1.41 | 2.9 | 电枢绕组相电感 | mH | 41.2 | 18.18 | 20.13 | 电气时间常数 | ms | 4.73 | 6.44 | 7.11 | 重量 | kg | 1.3 | 1.7 | 2.0 | 编码器 | P/R | 2500 | 负载惯量 | | 负载惯量≤电机转子惯量×10(倍) | 适配驱动器 | | GS0020A/ MS0010A MS0020A/ MS0020C/ TS0020A22/ HS0020A | GS0040A/ MS0040A/ MS0040C/ TS0040A22/ HS0040A | GS0075A/ MS0075A/ MS0075C/ TS0075A22/ HS0075A |
型号说明 xinghaoshuoming.jpg)
外形尺寸 单位:mm
接线说明
| 电机编码器线说明 | 定 义 | 对应引线插头引脚编号 | 电源+5V输出 | 2 | 电源0V GND | 3 | 编码器U+相信号输入 | 6 | 编码器U-相信号输入 | 8 | 编码器V+相信号输入 | 11 | 编码器V-相信号输入 | 15 | 编码器W+相信号输入 | 10 | 编码器W-相信号输入 | 12 | 编码器Z+相信号输入 | 7 | 编码器Z-相信号输入 | 5 | 编码器A+相信号输入 | 4 | 编码器A-相信号输入 | 14 | 编码器B+相信号输入 | 9 | 编码器B-相信号输入 | 13 | 屏蔽线 | 1 |
| 电机动力线说明 | 定 义 | 对应引线插头引脚编号 | U | 1 | V | 2 | W | 3 | FG | 4 |
|
制动电机使用说明 1.带制动功能的60系列伺服电机的机身长度比标准电机长45mm; 2.制动器的控制线与电机动力线一起引出,其中电机动力线已连接四芯插头,另两根悬空线即为制动器的控制线; 3.电机运转前请把制动器的控制线接到24VDC电源 (电源要求:3A ),制动器的控制线不分正负。 伺服电机安装注意事项: 1.在安装/拆卸耦合部件到电机轴端时,不要用力敲打轴端,防止电机轴另一端的编码器被敲坏。 2.竭力使轴端对齐到最佳状态,防止振动和轴承损坏。 |
成都勇泰官网:
阿里巴巴官网:
联系人:伏经理
手机:18030693520
电话:028-69936006
传真:028-66761779