
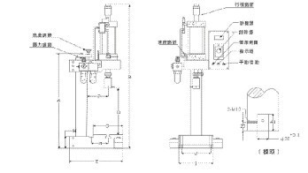
本机型设计特点:
1.上.下模采用压铸件,不易变形,结构简单.性能好.气缸配有防转导杆,空间可任意调整.
2.此机台速度压力行程均可任意调整.
3.操作简单方便,双手操作下压计时计数之功能,无噪音.无污染,经济环保,
4.迷你型轻巧不占空间,适合小型号物件加工,广泛用于:压入,铆合.切断,装配打印,弯曲烫金烙印等精密件作业。
1.On The stamping die uses presses the casting, is not easy to distort, the structure is simple The performance is good The air cylinder has guards .
2.This radio station speed pressure travel may wilfully adjust
3.Operates simply is convenient, when both handsoperation pressure meter counts the function, does not
have the noise. simply is convenient, when both hands operation pressure meter counts the function
4.Mini is dexterous does not occupy the space, suits the small model。
规格型号 | 出力 | 冲程(mm) | 气缸内径 | 冲程调整 | 空气消耗 | 配管口径 | 最大工作量高度 | 重量kg | 模柄 |
CH101-100 | 100kg | 50 | Φ50 | 30mm | 1.2L | 1/4 | 250 | 20 | Φ16 |
CH101-150 | 150kg | 100 | Φ63 | 50mm | 2L | 3/8 | 250 | 20.3 | Φ16 |
CH101-300 | 300kg | 100 | Φ80 | 50mm | 6L | 3/8 | 300 | 53 | Φ20 |
CH101-500 | 500kg | 100 | Φ100 | 50mm | 10L | 1/2 | 300 | 58 | Φ20 |
CH101-800 | 800kg | 100 | Φ125 | 50mm | 12L | 1/2 | 300 | 90 | Φ25 |
CH101-1200 | 1200kg | 100 | Φ160 | 50mm | 23L | 1/2 | 300 | 103 | Φ30 |
CH101-2200 | 2200kg | 100 | Φ200 | 50mm | 30L | 3/4 | 300 | 165 | Φ30 |

规格型号 | A | B | C | D | E | F | G | H | I | J |
CH101-100 | 400 | 700 | 155 | 200 | 270 | 105 | 100 | 130 | 155 | 130 |
CH101-150 | 400 | 700 | 155 | 200 | 270 | 105 | 100 | 130 | 155 | 130 |
CH101-300 | 500 | 900 | 200 | 300 | 370 | 142 | 125 | 170 | 200 | 170 |
CH101-500 | 500 | 900 | 200 | 300 | 370 | 142 | 125 | 170 | 200 | 170 |
CH101-800 | 500 | 980 | 210 | 270 | 400 | 160 | 130 | 195 | 230 | 195 |
CH101-1200 | 500 | 980 | 250 | 270 | 455 | 180 | 150 | 215 | 250 | 215 |
CH101-2200 | 500 | 1050 | 300 | 270 | 600 | 215 | 175 | 275 | 355 | 275 |
★出力值之测定系在7kg/CM2压力表值条件下所测得/The output valve is measured at 7kg/cm2shown on the pressure gauge.
注:各类压床冲程可根据客户要求所订制.
服务宗旨 倾我所有,尽我所能,竭诚用户,诚信天下。
标志用语创佳鸿服务,主动至真,竭力至诚。
服务理念机器在您手中,服务刻我心中。说到必做,做则必优。每次服务,始于主动,寓于真诚,终于满意。
服务工作准则首先尽责制:不问责任,首先服务;首问负责制:谁受理,谁 落 实;维修负 责制:谁 服务,谁 负责。
广东省内:送货;广东省外:货运。都有专业技术人员上门调试。
可根据客户的要求定制设计生产、超越客户的品质要求是我们追求的目标!
品质保证!一年内免费维修保养,终身维护!