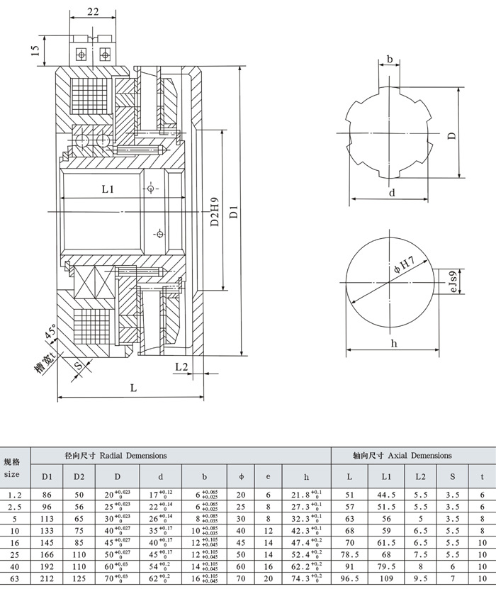
主要技术参数:
DLM3系列湿式多片电磁离合器在机械传动系统中作为自动控制执行元件。本产品可在主动部分运转的情况下,使从动部分结合或分离,达到换向,启动,制动等目的。
安装示意图外形及安装尺寸
您对此产品的咨询信息已成功发送给相应的供应商,请注意接听供应商电话。
对不起,您对此产品的咨询信息发送失败,请稍后重新发起咨询。