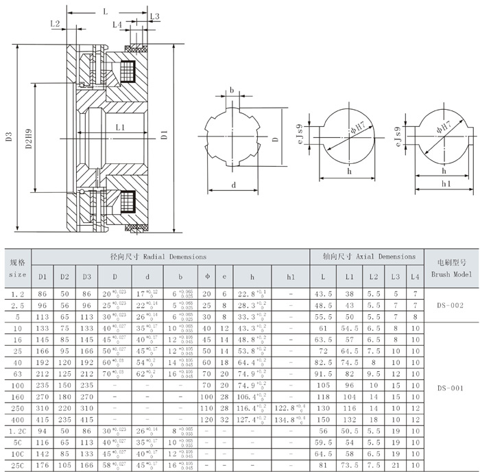
安装示意图外形及安装尺寸
DLM5系列湿式多片电磁离合器用于机械传动系统中,作为自动控制的执行元件,可在主动运转的情况下,使从动部分结合或分离,达到起动,换向,制动等动作。
您对此产品的咨询信息已成功发送给相应的供应商,请注意接听供应商电话。
对不起,您对此产品的咨询信息发送失败,请稍后重新发起咨询。