辉顺阀门专业从事生产闸阀,球阀,蝶阀,截止阀,止回阀,调节阀,针型阀,液压阀,水力控制阀,水处理器等,如有需求,欢迎来电


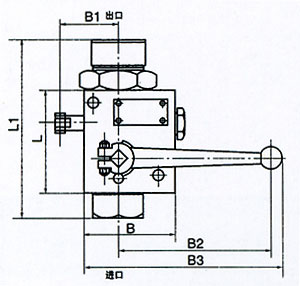
型号 | 总体尺寸 | 连接尺寸 |
L | L1 | B | B1 | B2 | B3 | H | H1 | H2 | D | d |
AJF-H125L* | 110 | 179 | 100 | 61 | 170 | 218 | 68 | 140 | 200 | M42×2 M60×2 | M33×2 |
AJF-H225L* |
AJF-H125L* |
AJF-H140L* | 146 | 234 | 130 | 75 | 240 | 300 | 96 | 178 | 228 | M60×2 | M48×2 |
AJF-H240L* |
AJF-H340L* |
AJF-H150L* | 160 | 262 | 140 | 80 | 280 | 346 | 115 | 206 | 247 | M72×2 | M60×2 |
AJF-H250L* |
AJF-H350L* |

畜能器型号 | 安全截止阀型号 | 公称压力 MPa | 公称流量 L/min |
NXQ-L1.6~6.3/10-H NXQ-L1.6~6.3/20-H NXQ-L1.6~6.3/31.5-H | AJF-H125L※ AJF-H225L※ AJF-H325L※ | 10 | 160 |
20 |
31.5 |
NXQ-L10~40/10-H NXQ-L10~40/20-H NXQ-L10~40/31.5-H | AJF-H140L※ AJF-H240L※ AJF-H340L※ | 10 | 400 |
20 |
31.5 |
NXQ-L63~100/10-H NXQ-L63~100/20-H NXQ-L63~100/31.5-H | AJF-H150L※ AJF-H250L※ AJF-H350L※ | 10 | 630 |
20 |
31.5 |

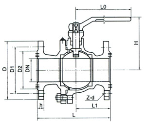
公称通径DN | 尺寸mm |
L | L1 | d | d1 | d2 | z-d | h | b | L0 |
15 | 130 | 57 | 95 | 65 | 45 | 4-14 | 103 | 14 | 100 |
20 | 140 | 62 | 105 | 75 | 55 | 4-14 | 112 | 14 | 160 |
25 | 150 | 65 | 115 | 85 | 65 | 4-14 | 123 | 14 | 160 |
32 | 165 | 71 | 135 | 100 | 78 | 4-18 | 150 | 16 | 200 |
40 | 180 | 71 | 145 | 110 | 85 | 4-18 | 156 | 16 | 250 |
50 | 200 | 85 | 160 | 125 | 100 | 4-18 | 172 | 18 | 300 |
65 | 220 | 100 | 180 | 145 | 120 | 4-18 | 197 | 18 | 350 |
80 | 250 | 114 | 193 | 160 | 125 | 8-18 | 222 | 20 | 450 |
100 | 280 | 130 | 215 | 180 | 155 | 8-18 | 286 | 22 | 600 |
125 | 320 | 150 | 245 | 210 | 180 | 8-18 | 286 | 22 | 600 |
150 | 360 | 160 | 280 | 240 | 210 | 8-23 | 297 | 24 | 8000 |