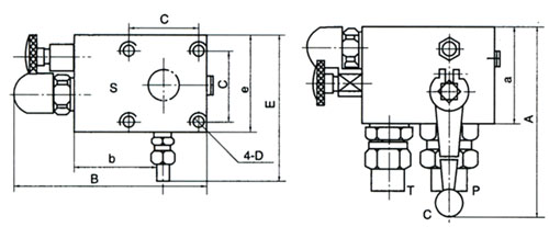
1.概述
AJ型蓄能器控制阀组合由截止阀、安全阀和卸荷阀等组成,安装于蓄能器和液压系统之间,用于控制蓄能器油液的通断,溢流,卸荷等工况。阀组的主要功能有,设定蓄能器安全工作压力,实施对液压系统供液和保压;控制蓄能器与液压系统之间的流道通断,即当蓄能器向系统供液或系统向蓄能器充液,以吸收脉动,补偿容量等工况下打开手动球阀,当需要停止工作或以蓄能器进行检修时关闭手动球阀,必要时可用手动卸荷阀卸荷或电磁卸荷。
本型控制阀组具有性能可靠、结构紧凑、连接灵活、操作方便等特点。
AJ型蓄能器控制组基本信息
辉顺阀门专业从事生产闸阀,球阀,蝶阀,截止阀,止回阀,调节阀,针型阀,液压阀,水力控制阀,水处理器等,如有需求,欢迎来电



名称 | 型号 | 外接口连接尺寸 | 外形尺寸 |
S口 | P口 | T口 |
法兰D/C×C | JB2099 | JB966 | A | B | E | a | b | e |
安全阀组 | AJS-10*Z | 螺纹M22×1.5 | 18 | 14/M18×1.5 | 215 | 155 | 95 | 85 | 90 | 50 |
AJS-20*Z | M14/70×70 | 28 | 28/M33×2 | 290 | 220 | 135 | 90 | 145 | 90 |
AJS-32*Z | M14/70×70 | 42 | 28/M33×2 | 300 | 235 | 140 | 100 | 155 | 95 |
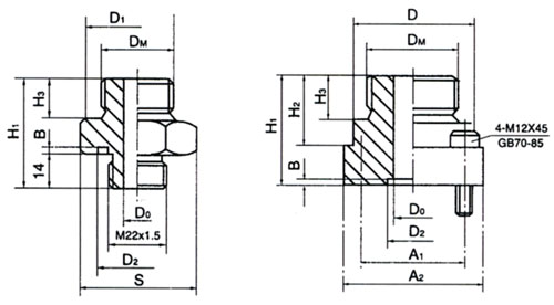
D0 | Dm | D2 | B-0.01 | S | □A1±0.2 | □A2 | H1 | H2 | H3 | 示图 |
10 | M27×2 M42×2 | 30 | 2.4 | 36 | / | / | 45 | | 16 | 1 |
20 | M42×2 M60×2 | 28 | 60 | 57 | 23 |
32 | M60×2 M72×2 | 40 | / | 70 | 90 | 63 | 40 | 2 |
| | | 75 | 47 | 30 |
70 | 90 | 80 | 52 | 35 |