产品介绍

工作电压: DC 24V
耐压等级:1000V
开关信号触点负载:2A120VAC/24VDC阻抗:≤100mΩ额定
1.安装位置无激烈震动及强磁场
2.油位计应垂直安装
本油位计适用于安装在中小型油浸式变压器储油柜及有载开关储油柜侧壁上的油位指示,也可用于其它敞开或承压容器的液位测量,可取代连通式玻璃管油位计,并自带高低油位开关量信号输出,具有安全、直观、可靠、寿命长等特点.
产品实拍图



产品使用图



YZF1-60K型箱变电接点油位计
一、用途:
本油位计适用于安装在中小型油浸式变压器储油柜及有载开关储油柜侧壁上的油位指示,也可用于其 它敞开或承压容器的液位测量,可取代连通式玻璃管油位计,并自带高低油位开关量信号输出,具有安 全、直观、可靠、寿命长等特点.
二、工作条件:
1、工作环境温度: -40℃~80℃
2、相对湿度:当空气温度为25℃时,湿度不大于90%
3、海拔高度:≤2000m
4、安装位置无剧烈震动及强磁场
5、油位计应垂直安装
6、工作电压: DC 24V
7、耐压等级:1000V
8、开关信号触点负载:2A120VAC/24VDC阻抗:≤100mΩ额定
三、结构及工作原理:
1、油位计结构:油位计由浮子连杆表座磁钢指针等组成。由于油位计表座完全隔离了浮子与指针,从而保证 了油位计密封的可靠性。
2、工作原理:当储油柜内的油位由于温度或其它原因升高或降低时,油位计的浮子随着油面同步升高或降 低,从而带动指针旋转,指示油位的高低。
3、内部自带位置感应装置,当油位计内指针升至最高点或降至最低点时输出开关闭合信号,指针在其他位置 时高低项输出断路信号。
四、注意事项:
1、油位计不宜受到强力冲撞。
2、油位计的连杆不能用力拉伸或使其弯曲变形,使用时附近不能有强磁场。
3、安装图中的密封圈起阻止油渗漏作用,若不能密封,检查螺丝是否拧紧,或安装板与密封圈接触处不平 整。
五、安装使用:
1、油位计以25℃时的油温作油面的参考温度,故在安装时应根据实测油温并通过计算得出油位的正确高 度。
2、油位计(标准型)最大有效测量范围为100mm,若有其它要求,用户可按需制定(确定图中R90处)。
3、油位计端子接线图示:

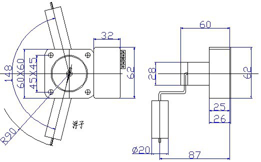
4、油位计的外型尺寸:

六、YZF1-60K 箱变电接点油位计电源详图:

六、YZF1-60K 箱变电接点油位计检测报告:


企业介绍

常州宝德电气技术有限公司位于中国智能装备基地——江苏省常州市,是生产电力变压器附件和相关电气装备的专业厂商。同时也是一家专业研制、生产、销售电动执行机构的高新技术企业,江苏省双文明单位,中国阀门协会理事单位,,是国内较大的阀门电动装置(执行机构)生产企业之一。
公司目前主要生产的产品有:温度指示控制器(压力式)、油位表(带液位实时数显)、蝶阀(德式真空)、油样活门(国产西式)、铁芯油道(高强度树脂)、热收缩管/带(高性能热缩)、油中气体、微水在线监测系统(最新型使用型)、干式变压器温度控制仪(大数码数字显示)、变压器专用耐油件、橡胶件系列、干式变压器用硅胶系列产品、干式变压器用环氧树脂DMC垫块系列、干式变压器用绝缘子系列产品、美式箱变配套仪表(四件套)等数十个品种和规格。产品符合JB7065-93/GB4981-89等标准,并取得了相关的检测认证。
企业证书

'