
概述
电阻输入变送器
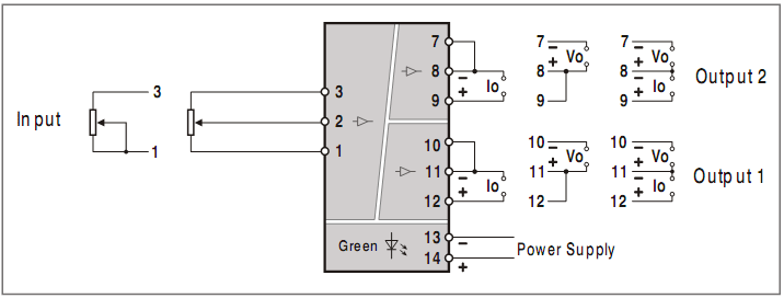
将现场的二线制或三线制电阻器的电阻值隔离变送,转换为与输入成线性关系的直流信号隔离输出至控制系统或其它智能仪表。
该电阻输入变送器采用独立的直流电源供电,供电电源-输入-输出之间电磁隔离。
特性
- 一路通道电阻值输入,经隔离变送,一路通道输出直流电流或电压。
- 配合DCS/PLC等控制系统或其它单元组合仪表应用。
- 连接至控制系统:各款DCS/PLC 的AI卡,接收电流或电压信号。
- 适用于连接的现场设备:二线制或三线制电阻器。
- 安装与端子接线:35mm 标准DIN导轨卡式安装;端子接线采用簧片式压紧连接。
技术参数
- 供电电源
电源电压:20~30VDC
电源指示:通电时,LED 电源灯亮绿色
电流消耗(24VDC供电时):< 45mA - 输入
输入电阻器类型:二线制或三线制电阻器
阻值范围:0~10KΩ
(特殊阻值电位器,用户在订货时指定) - 输出
输出电流:4~20mA;0~20mA;或指定电流量程
电流输出时允许负载:0~550Ω(4~20mA,0~20mA输出时)
输出电压:1~5V;0~5V;0~10V;或指定电压量程
电压输出阻抗:<500Ω
输出纹波:<10mVp-p - 综合主要技术参数
标准精度:±0.2%
温度漂移:±0.015% / ℃
开机响应时间:< 1s (10~90%)
电源变化影响:±0.1% (20~30VDC 允许电压范围)
隔离能力:输入-输出-电源之间 1.5KV,1min ,50Hz
绝缘电阻:输入-输出-电源之间 ≥100MΩ / 500VDC
工作环境温度: -20~+60℃
外形尺寸:厚度×高度×长度=16×116×110(mm)
选型、订货代码

端子接线图
