更多
原厂供应NCE2305 场效应管 MOS管 -20V/-4.1A
1台起批
¥
0.00
点此议价
无锡新洁能股份有限公司
中国 无锡
全部商品
查看联系方式
产品属性
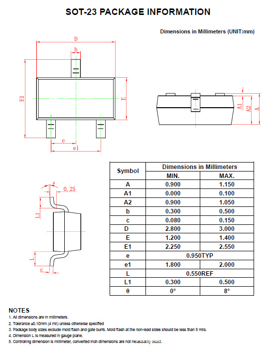
图文详情
品牌推荐
品牌/型号
NCE/NCE
品牌
NCE
型号
NCE
种类
绝缘栅MOSFET
沟道类型
P沟道
导电方式
耗尽型
用途
S/开关
封装外形
SMDSO/表面封装
材料
N-FET硅N沟道
'
'
逆变器 用MOS管 NCE75H11
¥面议
NCE75H21 TO-220封装 大电流 大功率 MOS
¥面议
NCE85H21 TO-220 大功率 大电流 MOS
¥面议
小功率逆变器 代换IRF3205 MOS NCE55H12
¥面议
48V控制器专用MOS NCE7190
¥面议
NCE75H21T TO-247 电动车控制器 车载逆变用 MOS
¥面议
电子元器件
>
场效应管
>
获取验证码
允许同品行业优质供应商联系我
您对此产品的咨询信息已成功发送给相应的供应商,请注意接听供应商电话。
对不起,您对此产品的咨询信息发送失败,请稍后重新发起咨询。
关闭
登录
|
注册
首页
|
我的马可
触屏版
电脑端
马可波罗版权所有1999-2020