产品介绍
防水电气滑环 高速率滑环 军工滑环 精密集电环
HRUW系列为深水水务设备开发的防水滑环可以很好的解决水下及深水环境滑环工作问题。
水密封或电缆设计适用于长期的水下作业,旋转精度高,性能稳定,寿命长,高防护等级达IP68。采用接触材料为贵金属+超硬镀金处理,力矩小,运转稳定,寿命长,电阻波动小,接触电阻小,具有优良的传输性能 。
型号定义

特点
■ 专门为水下作业,防水作业而设计
■ 工业级别产品,定子法兰,IP65,P68可选
■ 金-金接触,采用进口密封和军工级电镀处理
■ 多点接触触点,出线采用防水格兰,电缆等
■ 可根据可要要求定制
典型应用
自动化设备、工作转台、摄像机云台、机器人,应急照明灯、雷达等各类水底环境
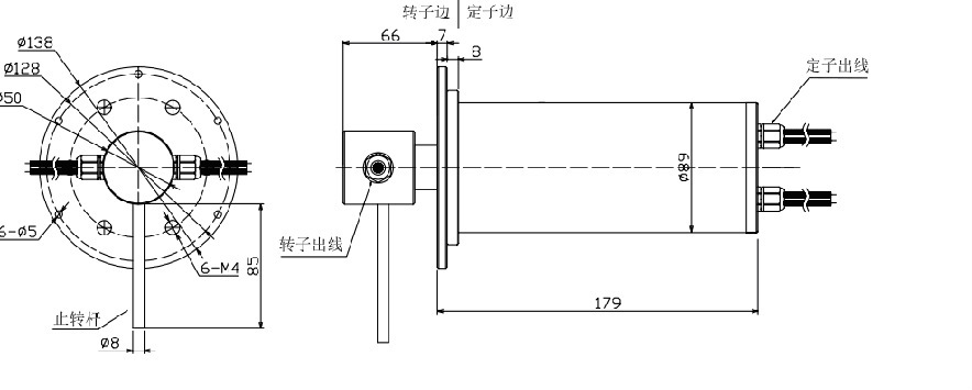
标准图纸

技术参数
技术参数 | |||
通路数 | 2~96(参考以下表格) | 电流 | 信号(2A),10A/路 |
电压 | 250 VDC/VAC | 最高转速 | 600RPM |
外壳材质 | 不锈钢 | 扭矩 | 0.55N.m;+0.03N.m/6路 |
工作寿命 | >9000万转(工作转速而定) | 接触材料 | 贵金属:金-金 |
电气噪音 | <5毫欧 | 接触电阻 | <2m毫欧 |
耐压强度 | 800VDC@50Hz | 导线规格 | UL Teflon@Awg22,Awg17 |
绝缘强度 | 1000MΩ@600VDC | 导线线长 | 300mm |
工作温度 | -40°C to 80°C | 防护等级 | IP51 |
防震级别 | MIL-SID-810E | 工作湿度 | 10% to 85% RH |
材料 | RoHS认证 | CE认证 | 是 |
注意:
1)产品寿命与转速,工作温度,湿度等参数紧密相关.
2)电气噪音与工作转速,电流,电压有着紧密的关系.
3)导线规格: 2A/信号 -> AWG26, 5A -> AWG22, 10A -> Awg17, 15A -> Awg14, 颜色按色码标识表.
型号规格表
型号 | 总环数 | 电流 | 长度(mm) |
HRUW045-0320 | 3 | 20A/环 | 97.5 |
HRUW045-06S | 6 | 信号(2A)/环 | 97.5 |
HRUW045-12S | 12 | 信号(2A)/环 | 97.5 |
HRUW045-18S | 18 | 信号(2A)/环 | 97.5 |
HRUW045-24S | 24 | 信号(2A)/环 | 97.5 |
HRUW045-0205-16S | 18 | 2X5A + 16X信号(2A) | 97.5 |
HRUW045-0210-12S | 14 | 2X10A + 12X信号(2A) | 97.5 |
HRUW045-0310-08S | 11 | 3X10A + 8X信号(2A) | 97.5 |
可选项
● 可选法兰安装和出线方式
● 最大可支持:1-96路
● 可选插接头和热缩管,导线长度可选
● 热电偶信号混合,屏蔽电缆
● 传输频率可达 500 MHz
● 防震,高温等特殊环境定制,高温定制可达 250 度
● 高压、大电流定制(1000A,1万伏)
● 军工级别
● IP65,IP68 可选.
如何选型
深圳市鸿瑞铭电子有限公司是国内最早从事滑环技术研究及生产的公司之一, 对各个行业的定制滑环有着非常丰富的经验并拥有超过10000种滑环解决方案图。
如果您需要订购HRT038,支持6路*信号,订购型号为 HRT038-06S.
如果您需要订购HRT038,支持6路*信号 + 12路*10A,订购型号为 HRT038-1210-06S.
其他特殊要求
如果您有其他特殊要求,比如:滑环高度限制,其他尺寸限制,导线长度,出线方式,定制接头,大电流,耐高温,军工级别,防护等级等等,请联系我们sales@szhring.com或 18682207195
特别声明
1、阿里巴巴鸿瑞铭所有产品均由深圳市鸿瑞铭电子有限公司生产。如有任何疑问,可致电鸿瑞铭客服电话:0755-29190246或访问公司主页http://www.szhring.com 通过在线客服进行咨询。
2、所有产品可按客户要求定制(包括尺寸限制,导线长度,出线方式,定制接头,大电流,耐高温,军工级别,防护等级等),如有其它需要可联系在线客服,我们将竭诚为您服务。
3、阿里巴巴鸿瑞铭商品均为实物拍摄,颜色经专业校对,与实物平铺图最为接近,实物因电脑显示器的色彩对比度和色温等原因会有差异。
4、售后按照国家相关标准,提供七天无理由退货,十五天内换货,两年内保修的承诺。
5、深圳地区客户可选择现货自提或者邮寄(优速或德邦快递),国内其他地区(不包括海外和港澳地区)默认发顺丰快递,顺丰不到发其他快递。
6、鸿瑞铭所用图片均为深圳市鸿瑞铭电子有限公司的实物产品拍摄,任何个人和公司未经允许不得擅自复制、粘贴或者做其他用途,违者鸿瑞铭电子有限公司将追究其法律责任!
'